Generic selectors
Exact matches only
Search in title
Search in content
Post Type Selectors
post
page
product
Filter by Categories
Latest News
Upcoming Events

3 dB 180 Degree ULTRA+ Hybrid Couplers ULTRA4040124

SPECIFICATIONS

Model Number

ULTRA4040124

Freq. Min. (GHz)

4

Freq. Max. (GHz)

12.4
Amplitude Imbalance (dB)
±0.3
Phase Imbalance (Degrees)
±4
Isolation (dB Min)
>19
VSWR (Max)
1.4
Insertion Loss (dB Max)
<0.6

FEATURES

4.0 – 12.4 GHz Frequency Operation

3 dB Coupling

Amplitude Imbalance: ±0.3 dB

Phase Imbalance: ±4 Degrees

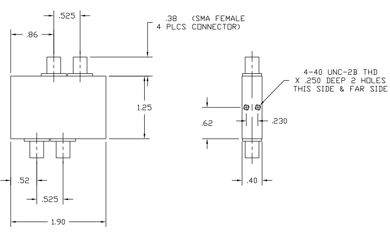
Compact Package: SMA Female Connectors

Custom Designs Available

Product Description

KRYTAR’s New line of high-performance ULTRA+ 180 Degree Hybrid Couplers offer the tightest specifications in the industry and are uniquely designed for systems applications to perform many functions, including splitting and combining signals in amplifiers, switching circuits, and antenna beam-forming networks used in a wide range of commercial and military applications where power or frequency needs to be monitored, leveled, alarmed or controlled.

These hybrid couplers are four-port components with dual input and output ports. KRYTAR hybrid couplers offer wideband frequency coverage in single, compact packages, which provide low insertion loss, high directivity and tight coupling. These hybrid couplers offer excellent solutions for many ultra-broadband applications including electronic warfare (EW), mmWave, 5G NR (New Radio), 6G, Wi-Fi 6 and Wi-Fi 6E, SATCOM, radar, Multiple-Input and Multiple-Output (MIMO) radio links, signal monitoring and measurement, antenna beamforming, and electromagnetic compatibility (EMC) testing environments. This ultra-wideband coupler can also be manufactured to meet rigid military specifications.

KRYTAR’s new hybrid coupler, Model ULTRA4040124, delivers exceptional versatility from 4.0 to 12.4 GHz (C- thru Ku-Bands) with excellent phase and amplitude matching. Typical specifications include 3 dB Coupling; Amplitude Imbalance: ±0.3 dB; Phase Imbalance is ±4 degrees; Isolation is >19 dB; Maximum VSWR: 1.4; and Insertion Loss of <0.6 dB.

In addition, Model ULTRA4040124 offers Input Power Rating of 20 W average and 3 kW peak. The hybrid coupler comes with industry-standard SMA Female Connectors. This compact package measures just 1.90 inches (L) x 1.25 inches (W) x 0.40 inches (H), and weighs only 1.8 ounces. Operating temperature is -54° to 85° C. This coupler is typically available from stock to 30 days, ARO.

KRYTAR also offers complete engineering services for custom designs that meet or exceed critical performance and/or packaging specifications.

Common Definitions

Microwave Frequency Bands
Band Designation Frequency Range (GHz)
UHF 300 MHz – 1.0 GHz
L 1.0 – 2.0
S  2.0 – 4.0
C  4.0 – 8.0
X  8.0 – 12.0
DBS  12.2 – 12.7
Ku  12.0 – 18.0
K 18.0 – 26.5
Ka  26.5 – 40.0
Q 30.0 – 50.0
U 40.0 – 60.0
V  50.0 – 75.0

90 and 180 Degree Hybrid Couplers: Hybrid couplers are a special kind of a four-port directional coupler used to split or combine signals with specific phase relations. The output signals can have a phase difference of 90 degrees or 180 degrees. Dual input and output ports are designed for a 3 dB (equal) power split.

Directional Couplers: Components that allow two microwave circuits to be combined into one integrated system in one direction with the two completely isolated from each other in the opposite direction. Couplers are passive microwave components used for distributing or combining microwave signals. Directional couplers are four-port circuits where one port is isolated from the input port.

The coupled port on a microstrip, or stripline directional coupler, is closest to the input port because it is a backward wave coupler. On a waveguide broadwall directional coupler, the coupled port is closest to the output port because it is a forward wave coupler.

Amplitude Imbalance: The amount of level variation between a hybrid’s two outputs

The coupled port on a microstrip, or stripline directional coupler, is closest to the input port because it is a backward wave coupler. On a waveguide broadwall directional coupler, the coupled port is closest to the output port because it is a forward wave coupler.

Gigahertz (GHz): A unit of measurement denoting the number of cycles in one second. One GHz is one billion cycles every second.

Megahertz (MHz): Equal to 1 million Hz. Uses the SI Prefix Mega, meaning 10^6.

VSWR (Voltage Standing Wave Ratio): The ratio of the maximum voltage to the minimum voltage in standing wave pattern along the length of a transmission line structure. It varies from 1 to (plus) infinity and is always positive. VSWR can be converted to return loss or the reflection coefficient.

Insertion Loss: In telecommunications, Insertion Loss is the loss of signal power resulting from the insertion of a device in a transmission line or optical fiber and is usually expressed in decibels, or dB.

Isolation: In telecommunications, Isolation refers to the ability to prevent a signal from appearing at a node in a circuit where it is unwanted and is expressed in decibels, or dB.

Frequency Sensitivity is the amount of frequency change in the carrier frequency per unit amplitude change in the message signal.

Amplitude and Phase Tracking are the ratio of one output to the other in dB or degrees respectively.

mmWave (mm-Wave)

Millimeter wave is the band of spectrum between 30 GHz and 300 GHz. Wedged between microwave and infrared waves, this spectrum can be used for high-speed wireless communications as seen with the latest 802.11ad Wi-Fi standard (operating at 60 GHz). It is being considered by standards organizations, the Federal Communications Commission and researchers as the way to bring “5G” into the future by allocating more bandwidth to deliver faster, higher-quality video, and multimedia content and services.

Operating Temperature: An operating temperature is the temperature at which an electrical device operates. The device will operate effectively within a specified temperature range which varies based on the device function and application context, and ranges from the minimum operating temperature to the maximum operating temperature (or peak operating temperature). Outside this range of safe operating temperatures the device may fail.

5G

The fifth generation (5G) of cellular service, superseding 4G LTE. Governed by the 3GPP, 5G will increase transmission speed dramatically and embrace prioritization. As wireless data increases exponentially, real-time content such as video calling and video streaming must be given a higher priority than data on Web pages.

5G NR (5G New Radio)

The 5G new radio access technology (RAT) air-interface is a global standard, which like 4G also uses OFDM modulation, and is designed to deliver data rates up to 20 Gbps, enabling individual users to get gigabit-per-second downloads over the air (OTA). Wireless virtual reality (VR) and augmented reality (AR) can become commonplace, and 5G is expected to provide a huge boost for connecting billions of Internet of Things (IoT) devices.

Wi-Fi 6

Wi-Fi 6 is the most recent iteration of the IEEE standard for wireless local-area network (WLAN) protocol and is a substantial upgrade over its predecessors Wi-Fi 4 and Wi-Fi 5. Wi-Fi 6 operates between 2.4 GHz and 5 GHz. Wi-Fi 6 can be significantly faster due to technologies like traffic prioritization, OFDMA, and beamforming. 

Wi-Fi 6E 

Wi-Fi 6E operates at 6 GHz (5.925–7.125 GHz in the U.S.) and also the 2.4 GHz or 5 GHz devices already in use. Wi-Fi 6E-enabled devices can take advantage of the newer 6 GHz frequency band for further improved connectivity.

Additional Resources

For more information on KRYTAR’s Couplers please see below:

This product has been added to your RFQ list.