Generic selectors
Exact matches only
Search in title
Search in content
Post Type Selectors
post
page
product
Filter by Categories
Latest News
Upcoming Events

Directional Couplers 1853

SPECIFICATIONS

Model Number

1853

Freq. Min. (GHz)

0.5

Freq. Max. (GHz)

18.5
Nominal Coupling
30 ±1.0 dB
Frequency Sensitivity (dB)
±1.0
Insertion Loss (dB Max)
<1.0
Directivity (dB Min)
12
VSWR (Max)
1.45
Power Rating (Watts)
20
Standard Connectors (Female)
SMA

FEATURES

0.5 – 18.5 GHz Frequency Operation

30 dB Coupling

Frequency Sensitivity: ±1.0 dB

Compact Size

Low Insertion Loss

Custom Designs Available

Product Description

KRYTAR’s high-performance directional couplers offer the tightest specifications in the industry and are uniquely designed for systems applications where external leveling, precise monitoring, signal mixing or swept transmission and reflection measurements are required. 

KRYTAR’s directional coupler, Model 1853, enhances the selection of multi-purpose, stripline designs that exhibit excellent coupling over a broadband frequency range of 0.5 to 18.0 GHz (L- through Ku-Bands) in a single, compact and lightweight package.

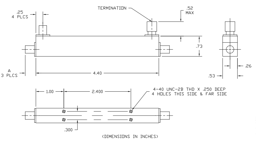
In addition, Model 1853 offers superior performance ratings including Nominal Coupling (with respect to output) of 30 dB, ±1.0 dB and Frequency Sensitivity of ±1.0 dB. The directional coupler exhibits Insertion Loss of <1.0 dB (includes coupled power) Directivity of 12 dB, Maximum VSWR 1.45 (any port), Input Power Rating is 20 W average and 3 kW peak. The directional coupler comes with industry-standard SMA Female connectors. SMA Male and N-Type Female connector options are available. The compact package measures just 4.40 inches (L) x 0.53 inches (W) x 0.73 inches (H), and weighs just 3.1 ounces. Operating temperature is -54° to +85° C.

RYTAR’s directional coupler is uniquely designed for systems applications where external leveling, precise monitoring, signal mixing or swept transmission and reflection measurements are required. The KRYTAR line of directional couplers offer excellent solutions for many ultra-broadband applications including electronic warfare (EW), mmWave, 5G NR (New Radio), Wi-Fi 6 and Wi-Fi 6E, SATCOM, radar, MIMO (Multiple-Input and Multiple-Output) radio links, signal monitoring and measurement, antenna beamforming, and EMC (electromagnetic compatibility) testing environments. The directional coupler can also be manufactured to meet rigid military specifications.

KRYTAR also offers complete engineering services for custom designs that meet or exceed critical performance and/or packaging specifications.

Common Definitions

 Microwave Frequency Bands
Band Designation Frequency Range (GHz)
UHF 300 MHz – 1.0 GHz
L 1.0 – 2.0
S 2.0 – 4.0
C 4.0 – 8.0
X  8.0 – 12.0
DBS 12.2 – 12.7
Ku 12.0 – 18.0
K 18.0 – 26.5
Ka  26.5 – 40.0
Q  30.0 – 50.0
U  40.0 – 60.0
V  50.0 – 75.0

Directional Couplers: Components that allow two microwave circuits to be combined into one integrated system in one direction with the two completely isolated from each other in the opposite direction.

Couplers are passive microwave components used for distributing or combining microwave signals. Directional couplers are four-port circuits where one port is isolated from the input port.

The coupled port on a microstrip, or stripline directional coupler, is closest to the input port because it is a backward wave coupler. On a waveguide broadwall directional coupler, the coupled port is closest to the output port because it is a forward wave coupler.

VSWR is defined as the ratio of the maximum voltage to the minimum voltage in standing wave pattern along the length of a transmission line structure. It varies from 1 to (plus) infinity and is always positive.

Insertion Loss is the net unrecoverable power in dB dissipated within the circuit at any frequency within the specified range.

Frequency Sensitivity is the amount of frequency change in the carrier frequency per unit amplitude change in the message signal.

Amplitude and Phase Tracking are the ratio of one output to the other in dB or degrees respectively.

mmWave (mm-Wave)

Millimeter wave is the band of spectrum between 30 GHz and 300 GHz. Wedged between microwave and infrared waves, this spectrum can be used for high-speed wireless communications as seen with the latest 802.11ad Wi-Fi standard (operating at 60 GHz). It is being considered by standards organizations, the Federal Communications Commission and researchers as the way to bring “5G” into the future by allocating more bandwidth to deliver faster, higher-quality video, and multimedia content and services.

5G

The fifth generation (5G) of cellular service, superseding 4G LTE. Governed by the 3GPP, 5G will increase transmission speed dramatically and embrace prioritization. As wireless data increases exponentially, real-time content such as video calling and video streaming must be given a higher priority than data on Web pages.

5G NR (5G New Radio)

The 5G new radio access technology (RAT) air-interface is a global standard, which like 4G also uses OFDM modulation, and is designed to deliver data rates up to 20 Gbps, enabling individual users to get gigabit-per-second downloads over the air (OTA). Wireless virtual reality (VR) and augmented reality (AR) can become commonplace, and 5G is expected to provide a huge boost for connecting billions of Internet of Things (IoT) devices.

Wi-Fi 6

Wi-Fi 6 is the most recent iteration of the IEEE standard for wireless local-area network (WLAN) protocol and is a substantial upgrade over its predecessors Wi-Fi 4 and Wi-Fi 5. Wi-Fi 6 operates between 2.4 GHz and 5 GHz. Wi-Fi 6 can be significantly faster due to technologies like traffic prioritization, OFDMA, and beamforming. 

Wi-Fi 6E 

Wi-Fi 6E operates at 6 GHz (5.925–7.125 GHz in the U.S.) and also the 2.4 GHz or 5 GHz devices already in use. Wi-Fi 6E-enabled devices can take advantage of the newer 6 GHz frequency band for further improved connectivity.

Power Dividers (also power splitters and, when used in reverse, power combiners) and directional couplers are passive devices. They couple a defined amount of the electromagnetic power in a transmission line to a port enabling the signal to be used in another circuit.

MLDD signifies Matched-line Directional Divider, a new class of microwave directional devices invented and patented by Thomas J. Russell, the founder of KRYTAR.

 

Additional Resources

For more information on KRYTAR’s Couplers please see below:

This product has been added to your RFQ list.