Generic selectors
Exact matches only
Search in title
Search in content
Post Type Selectors
post
page
product
Filter by Categories
Latest News
Upcoming Events

Butler Matrix KBM90240725

SPECIFICATIONS

Model Number

KBM90240725

Freq. Min. (GHz)

2.4

Freq. Max. (GHz)

7.25
VSWR (dB. Max)
1.5
Insertion Loss (dB Min.)
< 7.9
Phase Imbalance (Deg. Max)
±8.9
Amplitude Imbalance (dB Max)
±0.8
Isolation (dB Min)
14
Power Rating (Watts)
20
Standard Connectors (Female)
SMA

FEATURES

2.4 – 7.25 GHz Frequency Operation

Amplitude Imbalance: ±0.8 dB

Phase Imbalance: ±8.9 Deg.

Isolation: 14 dB

SMA Female Connectors

Custom Designs Available

Product Description

The NEW KRYTAR 4×4 Butler Matrix uses KRYTAR’s high-performance 90- and 180-degree Hybrid Couplers providing super phase accuracy, amplitude imbalance, stability and repeatability. A Butler matrix is a beamforming network used to feed a phased array of antenna elements. Its purpose is to control the direction of a beam, or beams, of radio transmission.

KRYTAR’s Butler Matrix can be utilized as a beamforming network used to feed a phased array of antenna elements with the purpose to control the direction of a beam, or beams, of radio transmission. The advantage over other methods of angular beamforming is the simplicity of use in a variety of applications. KRYTAR’s 4×4 Butler Matrix, Model KBM90240725, is the ideal choice for antenna array beamforming, 5G NR (New Radio), Wi-Fi 6 and Wi-Fi 6E, mmWave, MIMO (Multiple-Input and Multiple-Output) radio links, multipath simulation and performance evaluation, and many other upcoming applications.

KRYTAR’s technological advances provide excellent operating performance of this new 4×4 Butler Matrix. Covering the frequency range from 10.0 to 40.0 GHz this Butler Matrix provides ±1.2 dB of maximum Amplitude Imbalance and maximum Phase Imbalance of ±15 degrees. This Butler Matrix exhibits Insertion Loss of < 12 dB with Maximum Input and Output VSWR of 2.0:1 dB and Isolation of 12 dB. Average Power rating is 20 watts.

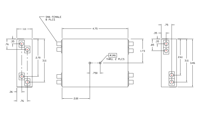
Model KBM90240725 Butler Matrix is a compact package measuring just 4.75 inches (L) x 3.46 inches (W) x 1.11 inches (H), and comes with standard SMA female coaxial connectors.

4×4 Butler Matrix Phase Table

Input
Output A1 A2 A3 A4
B1 90° 90°
B2 90° 90°
B3 180° -90° 90°
B4 -90° 180° 90°

 

KRYTAR 4×4 Butler Matrix Family Offers:

  • 0.5-40 GHz Frequency Range
  • Excellent Phase Imbalance
  • Excellent Amplitude Imbalance
  • High Isolation
  • Low Insertion Loss and VSWR
  • Superior Electrical Performance
  • Rugged Designs
  • KRYTAR High-Performance Hybrid Couplers
  • Custom Frequency Options

 

KRYTAR also offers complete engineering services for custom designs that meet or exceed critical performance and/or packaging specifications.

Common Definitions

 

 Microwave Frequency Bands
Band Designation Frequency Range (GHz)
UHF 300 MHz – 1.0 GHz
L 1.0 – 2.0
S 2.0 – 4.0
C 4.0 – 8.0
X  8.0 – 12.0
DBS 12.2 – 12.7
Ku 12.0 – 18.0
K 18.0 – 26.5
Ka  26.5 – 40.0
Q  30.0 – 50.0
U  40.0 – 60.0
V  50.0 – 75.0

mmWave (mm-Wave)

Millimeter wave is the band of spectrum between 30 GHz and 300 GHz. Wedged between microwave and infrared waves, this spectrum can be used for high-speed wireless communications as seen with the latest 802.11ad Wi-Fi standard (operating at 60 GHz). It is being considered by standards organizations, the Federal Communications Commission and researchers as the way to bring “5G” into the future by allocating more bandwidth to deliver faster, higher-quality video, and multimedia content and services.

5G

The fifth generation (5G) of cellular service, superseding 4G LTE. Governed by the 3GPP, 5G will increase transmission speed dramatically and embrace prioritization. As wireless data increases exponentially, real-time content such as video calling and video streaming must be given a higher priority than data on Web pages.

5G NR (5G New Radio)

The 5G new radio access technology (RAT) air-interface is a global standard, which like 4G also uses OFDM modulation, and is designed to deliver data rates up to 20 Gbps, enabling individual users to get gigabit-per-second downloads over the air (OTA). Wireless virtual reality (VR) and augmented reality (AR) can become commonplace, and 5G is expected to provide a huge boost for connecting billions of Internet of Things (IoT) devices.

Wi-Fi 6

Wi-Fi 6 is the most recent iteration of the IEEE standard for wireless local-area network (WLAN) protocol and is a substantial upgrade over its predecessors Wi-Fi 4 and Wi-Fi 5. Wi-Fi 6 operates between 2.4 GHz and 5 GHz. Wi-Fi 6 can be significantly faster due to technologies like traffic prioritization, OFDMA, and beamforming.

Wi-Fi 6E

Wi-Fi 6E operates at 6 GHz (5.925–7.125 GHz in the U.S.) and also the 2.4 GHz or 5 GHz devices already in use. Wi-Fi 6E-enabled devices can take advantage of the newer 6 GHz frequency band for further improved connectivity.

Amplitude and Phase Tracking are the ratio of one output to the other in dB or degrees respectively.

Power Dividers (also power splitters and, when used in reverse, power combiners) and directional couplers are passive devices. They couple a defined amount of the electromagnetic power in a transmission line to a port enabling the signal to be used in another circuit.

MLDD signifies Matched-line Directional Divider, a new class of microwave directional devices invented and patented by Thomas J. Russell, the founder of KRYTAR.

Directional Couplers: Components that allow two microwave circuits to be combined into one integrated system in one direction with the two completely isolated from each other in the opposite direction.

Couplers are passive microwave components used for distributing or combining microwave signals. Directional couplers are four-port circuits where one port is isolated from the input port.

The coupled port on a microstrip, or stripline directional coupler, is closest to the input port because it is a backward wave coupler. On a waveguide broadwall directional coupler, the coupled port is closest to the output port because it is a forward wave coupler.

KRYTAR 90-Degree Hybrid Couplers perform many functions, including splitting and combining signals in amplifiers, switching circuits, and antenna beamforming networks used in a wide range of commercial and military applications. 90-degree hybrids are used in circuits requiring a balanced division of power into two transmission lines with 90-degree separation of phase.

KRYTAR 180-Degree Hybrid Couplers offer wide frequency coverage in single, compact packages, which provide low insertion loss, high directivity and tight coupling. These hybrid couplers offer simple solutions in many applications within those frequency bands including electronic warfare (EW), commercial wireless, SATCOM, radar, signal monitoring and measurement, antenna beamforming, and EMC testing environments. For many space-restricted situations the compact size of these KRYTAR couplers are ideal. These couplers can also be manufactured to meet military specifications.

VSWR is defined as the ratio of the maximum voltage to the minimum voltage in standing wave pattern along the length of a transmission line structure. It varies from 1 to (plus) infinity and is always positive.

Insertion Loss is the net unrecoverable power in dB dissipated within the circuit at any frequency within the specified range.

Frequency Sensitivity is the amount of frequency change in the carrier frequency per unit amplitude change in the message signal.

Additional Resources

For more information on KRYTAR’s Couplers please see below:

This product has been added to your RFQ list.